Солнечная панель 100W и контроллер заряда 30A, комплект
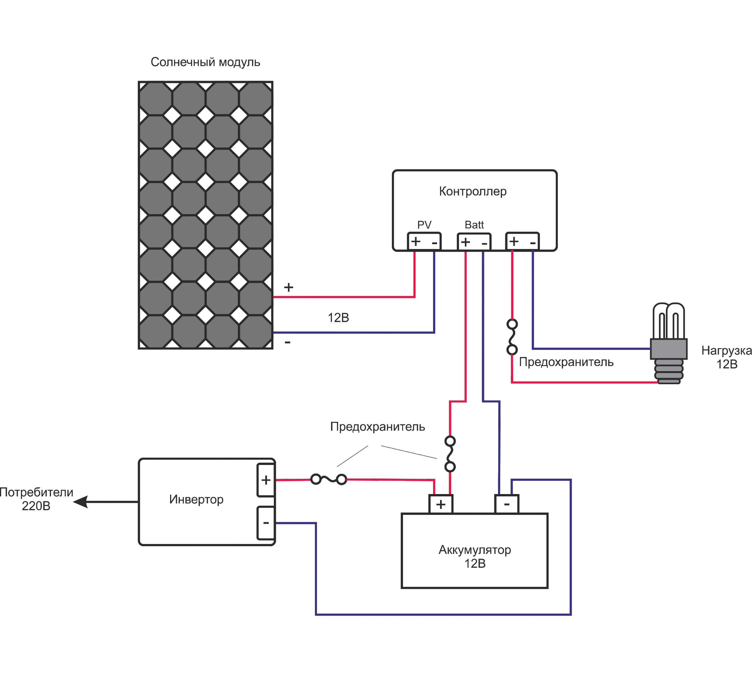
При помощи этой солнечной батареи и контроллера заряда, подходящего по напряжению и току, можно заряжать аккумуляторы емкостью от 20 до 100 А*ч и напряжением 12 В. Оптимальной емкостью аккумулятора (приобретается отдельно) для данной батареи является 50 А*ч. При необходимости использования с аккумуляторами напряжением 24 В, нужно взять 2 батареи и соединить их последовательно. Параллельное соединение солнечных панелей используется для увеличения общего тока системы. При параллельном подключении вы соединяете все положительные клеммы вместе (положительные с положительными) и все отрицательные клеммы вместе (отрицательные с отрицательными), пока не останется одно положительное и отрицательное соединение для подключения к солнечному контроллеру и батареям. Данную систему можно использоват для питания 2 камер видеонаблюдения и 4G роутера или уличного освещения. Обратите внимание, что в виду малого количества солнечной энергии в зимнее время и уменьшения ёмкости аккумулятора при низких температурах, данная система может не обеспечить необходимый запас энергии.
Обратите внимание на повышенное напряжение СП в точке максимальной мощности – 20,2 В. Из-за повышенного напряжения при использовании этой СП совместно с контроллером заряда PWM-типа, потери вырабатываемой энергии по сравнению с возможным максимумом будут достигать 30-40%. В связи с этим, для получения максимального количества электроэнергии рекомендуется использовать эту СП совместно с контроллером MPPT-типа.
Технические характеристики солнечной панели: Номинальная мощность 100 Вт моно. Максимальный ток мощности (Imp) 4.46 А. Максимальное напряжение питания (Vmp) 22,4 V. Напряжение открытого замыкания (Voc) 26,88 V. Ток короткого замыкания (Isc) 4,65 А. Максимальное напряжение системы 1500В. Кабель есть. Тип комплектующих: Коннектор Мс4 2шт. Структура модуля; алюминиевая рама/стекло/ЭВА/, задний лист (черный). Конструкция солнечной панели жесткая, пылевлагозащита, температура эксплуатации от -40 до +85 ℃. Размеры модуля 770*668*30 мм. Вес модуля 5,3 кг.
Технические характеристики контроллера: Ток заряда: 30А, Напряжение аккумуляторов: 12/24В. Максимальное напряжение солнечных панелей: <50В. Напряжение подзаряда в буферном режиме: 13,7 В. Минимальное рабочее напряжение аккумуляторов: 12,6 В. Напряжение остановки разряда 10,7 В. USB 5В/2А. LCD дисплей Есть. Потребление без нагрузки:

